Магазин запчастей для бытовой техники - Arlos
Москва
close
Выберите ваш регион
АбаканАлександровАльметьевскАнгарскАрзамасАрмавирАртемАрхангельскАстраханьАчинскБалаковоБалашихаБеларусьБелгородБердскБерезникиБийскБлаговещенскБратскБрянскВеликий НовгородВидноеВладивостокВладикавказВладимирВолгоградВолгодонскВолжскийВологдаВолховВоркутаВоронежВоскресенскВыборгГатчинаГеленджикГрозныйДедовскДербентДзержинскДзержинскийДимитровградДмитровДолгопрудныйДомодедовоДонецкЕвпаторияЕгорьевскЕкатеринбургЕлецЕссентукиЖелезногорскЖелезнодорожныйЖуковскийЗеленоградЗлатоустИвановоИвантеевкаИжевскИркутскИстраЙошкар-ОлаКазаньКалининградКалугаКаменск-УральскийКамышинКаспийскКемеровоКерчьКировКисловодскКлинКовровКоломнаКомсомольск-на-АмуреКопейскКоролёвКостромаКотельникиКрасногорскКраснодарКраснознаменскКрасноярскКурганКурскКызылЛенинск-КузнецкийЛипецкЛобняЛыткариноЛюберцыМагнитогорскМайкопМалаховкаМахачкалаМиассМоскваМурманскМуромМытищиНабережные ЧелныНазраньНальчикНаро-ФоминскНахабиноНаходкаНевинномысскНефтекамскНефтеюганскНижневартовскНижнекамскНижний НовгородНижний ТагилНовокузнецкНовокуйбышевскНовомосковскНовороссийскНовосибирскНовоуральскНовочебоксарскНовочеркасскНовошахтинскНовый УренгойНогинскНорильскНоябрьскОбнинскОдинцовоОктябрьскийОмскОрелОренбургОрехово-ЗуевоОрскПавловский ПосадПензаПервоуральскПермьПетрозаводскПетропавловск-КамчатскийПодольскПрокопьевскПсковПушкиноПятигорскРаменскоеРеутовРостов-на-ДонуРубцовскРыбинскРязаньСакиСалаватСамараСанкт-ПетербургСаранскСаратовСевастопольСеверодвинскСеверскСергиев ПосадСерпуховСимферопольСмоленскСосновый БорСочиСтавропольСтарый ОсколСтерлитамакСтупиноСургутСызраньСыктывкарТаганрогТамбовТверьТихвинТольяттиТомилиноТомскТроицкТулаТюменьУлан-УдэУльяновскУссурийскУсть-ИлимскУфаУхтаФеодосияФрязиноХабаровскХанты-МансийскХасавюртХимкиЧебоксарыЧелябинскЧереповецЧеркесскЧеховЧитаШахтыЩелковоЭлектростальЭлистаЭнгельсЮжно-СахалинскЯкутскЯлтаЯрославль
  • - бесплатно по РФ
    Автоперезвон. Работает по принципу: Вы позвонили на номер, мы сбрасываем звонок и перезваниваем через 3 секунды.
  • - по Москве
  • 8 (925) 663-83-63

Call-центр

пн-вс: 10:00-19:00

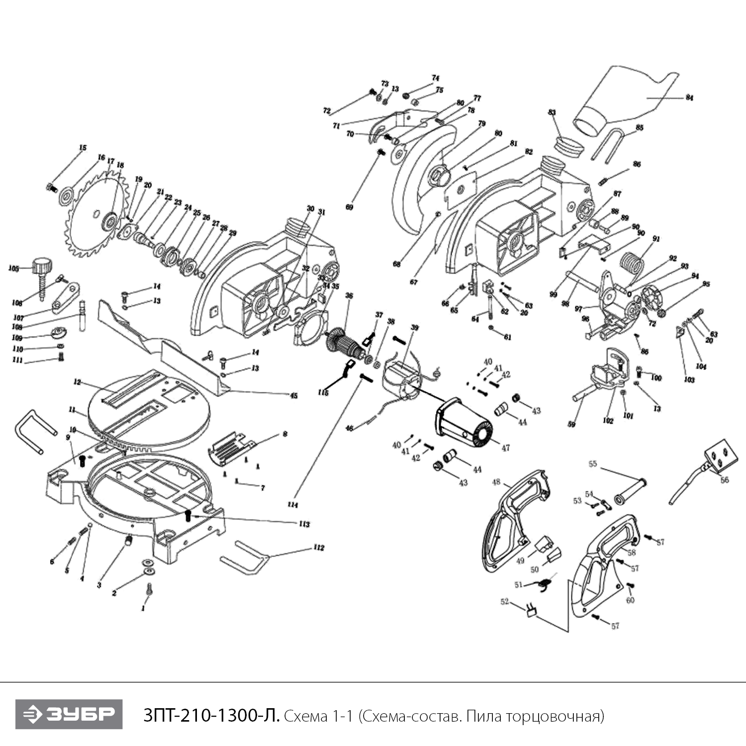
Пила торцовочная ЗПТ-210-1300-Л

Данная модель имеет несколько схем

NАртикулНазваниеСрок отгрузкиЦенаКупить
U009-600-2RS Подшипник шариковый 6002-2RS (32x15x9) CCEB U009-600-2RS 404 р.
1 U569-130-001 Винт специальный
1.20 U009-608-RS0 Подшипник шариковый 608-2RS (22х8х7) U009-608-RS0 для пил ЗПС-850 Э, ЗПТ-210-1300-Л 306 р.
2 UM06-001-004 Кольцо стопорное D11 разжимное UM06-001-004 для ЗДА-9.6-К, ЗНАС-1000 46 р.
2 UM04-000-006 Шайба D10 92 р.
2-18 U009-620-0RS Подшипник шариковый 6200-2RS (30x10x9) U009-620-0RS 250 р.
3 U569-130-003 Винт cтопорный
3 U353-115-006 Шпонка сегментная 13x5x4 U353-115-006 для ЗДМ-1200Р, УШМ-180-2005 П 114 р.
4 U351-900-019 Шарик стальной D8 84 р.
5 U569-130-005 Пружина
6 U569-130-006 Винт M10х8 H5 установочный
7 UM01-000-183 Винт M5x10 PH2 (потай)
8 U569-130-008 Пластина защитная
9 U569-130-009 Станина 2.905 р.
10 U010-070-900 Подшипник игольчатый U010-070-900 (11x7x9) для ЗП-650ЭК, ЗП-28-800 КМ 102 р.
11 U569-130-011 Стол поворотный 965 р.
12 U569-130-012 Вставка стола
13 UM04-001-004 Шайба-гровер D6 92 р.
14 UM01-000-125 Винт M6x24 H5
15 UM03-003-001 Болт M8х22 (Левая резьба) 57 р.
16 U569-130-016 Фланец внешний D45хd30хd18 154 р.
18 U569-130-018 Фланец внутренний D45хd30хd18 154 р.
19 UM01-000-019 Винт M4x15 PH2 #F 92 р.
19 U255-122-015-W Щетка графитовая (пара) 6.4х11х13 U255-122-015-W 189 р.
20 UM04-001-002 Шайба-гровер D4 92 р.
21 U569-130-021 Фиксатор подшипника
22 U569-130-022 Шпиндель 791 р.
25 U569-130-025 Фланец
26 UM06-001-006 Кольцо разжимное D14 92 р.
27 U569-130-027 Шестерня 1.159 р.
29 U010-091-013 Подшипник игольчатый HK0910 (13х9х10) 296 р.
30 U569-130-030 Корпус 2.905 р.
31 U569-130-031 Пружина
33 U569-130-033 Стопор
34 U569-130-034 Накладка рычага
35 U569-130-035 Защита статора
36 U569-130-036 Ротор 2.905 р.
37 U569-130-037 Кольцо пластиковое
39 U569-130-039 Статор 1.498 р.
40 UM04-000-003 Шайба D5 #F 92 р.
41 UM04-001-003 Шайба-гровер D5 92 р.
42 UM01-000-184 Винт М5х25 PH2
44 U569-130-044 Щеткодержатель в сборе 16х12х22 104 р.
45 U569-130-045 Упор фронтальный 897 р.
47 U569-130-047 Корпус статора 1.798 р.
48 U569-130-048 Ручка левая часть 296 р.
49 U569-130-049 Выключатель HY15 12(10)A 250V~ 5E4 746 р.
51 U358-120-017 Катушка индукторная #Fu 92 р.
52 U353-115-041 Конденсатор 0,33мкф 92 р.
53 UM02-000-022 Саморез 4x15 PH2 #F 92 р.
54 U569-130-054 Прижим шнура
55 U098-004-024 Воротник шнура
56 U099-004-006 Шнур сетевой H05RN-F Rubber 2Gх1мм2 2м 189 р.
57 UM02-000-065 Саморез 4x20 92 р.
59 U569-130-059 Ось
61 UM05-001-001 Гайка M5 (автогровер) 92 р.
62 U569-130-062 Скоба
63 UM01-000-015 Винт M4x12 92 р.
64 U569-130-064 Винт специальный
65 U569-130-065 Блокиратор
66 U569-130-066 Пружина кручения D8xd6xh4 114 р.
68 UM05-001-004 Гайка M6 (автогровер) 92 р.
69 U569-130-069 Винт M6х21 специальный 25 р.
70 U569-130-070 Винт специальный
71 U569-130-071 Рычаг длинный 741 р.
72 U569-130-072 Винт специальный
73 UM04-000-005 Шайба D8 92 р.
74 UM05-007-001 Гайка колпачковая М5
75 U569-130-075 Втулка металлическая
77 U569-130-077 Винт специальный
78 U569-130-078 Крышка маленькая
79 U569-130-079 Кожух пластиковый
80 U569-130-080 Пружина кручения 115 р.
81 UM01-000-147 Винт M5х12 PH2 25 р.
82 U569-130-082 Крышка большая
87 U569-130-087 Ограничитель
88 U569-130-088 Отбойник резиновый
89 U569-130-089 Винт специальный
90 UM01-000-009 Винт M4x8 РН2 (потай) #F 92 р.
91 U569-130-091 Пружина кручения 286 р.
92 U569-130-092 Штифт стопорный
93 U569-130-093 Кольцо резиновое
94 U569-130-094 Гайка-барашек M8
95 U569-130-095 Ручка стопорного штифта
96 U569-130-096 Винт M8х61 специальный
97 U569-130-097 Держатель корпуса
98 U569-130-098 Ось
99 U569-130-099 Планка воздухозаборника
101 UM05-000-003 Гайка M6 126 р.
102 U569-130-102 Седло держателя корпуса
103 U569-130-103 Указатель
113 UM01-000-070 Винт M6x12 PH3 #F 92 р.
114 UM02-000-136 Саморез 5х77 РН2
116 U569-130-116 Шайба
117 UM04-000-004 Шайба D6 92 р.
118 UM01-000-037 Винт M5x19 92 р.
119 UM01-000-087 Винт M5x9 PH2 #F 92 р.
120 UM05-000-005 Гайка M5 92 р.
121 U569-130-121 Крышка корпуса
122 U569-130-122 Отсек батарей
123 U569-130-123 Выключатель KCD1-11 3A 250V~ 1E4 746 р.
124 U569-130-124 Крышка отсека батарей 46 р.
125 U569-130-125 Хомут
126 U569-130-126 Лазер с обоймой
126С U569-130-126-C Лазер в сборе 1.548 р.
127 U569-130-127 Винт-барашек M6 35 р.
128 UM05-001-003 Гайка M8 (автогровер) 92 р.
129 UM03-000-025 Болт M6х20
130 U569-130-130 Муфта резиновая
131 U253-950-054 Катушка индукторная 92 р.
Найдено товаров: 110
1
▲ Наверх
0
8 (925) 663-83-63

Call-центр

пн-вс: 10:00-19:00

НАЙТИ ПО МОДЕЛИ
Введите номер заказа
Введите номер своего заказа, что бы узнать его текущий статус.
Что бы получить доступ к расширенным функциям, пройдите не сложную регистрацию. Зарегистрироваться